
产品名称:拨杆
材料:35
要求:卡槽面淬火45-55HRC,淬硬层深400HV1=0.76-2.54mm
热处理设备:HT-6010AB电子管大香蕉手机在线视频淬火机
工艺:高频老师调的,

经锻造-机加工后的产品

工装侧面

工装正面
淬火过程

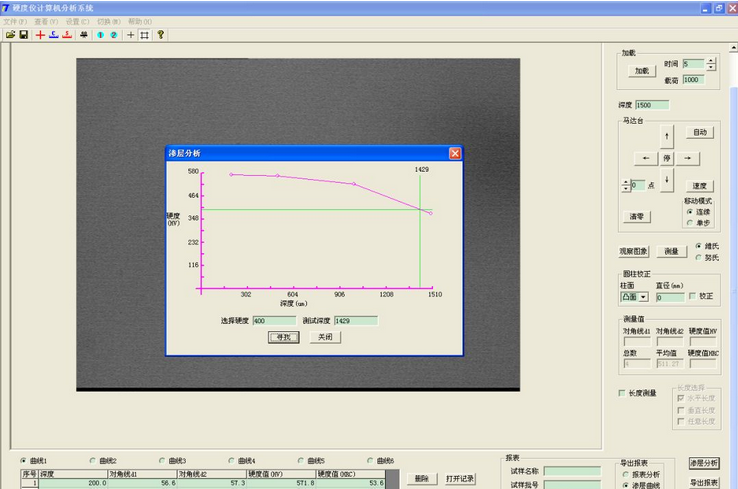
测有效硬化层深1.428mm
|联系海瑞拓
第一时间了解香蕉视频一区二区的新产品发布和最新的资讯文章。
广东海瑞拓自动化有限公司是一家专注于高端工业装备研发、制造与销售的高新技术企业。公司扎根于制造业底蕴深厚的广东省,致力于为全球金属加工及制造业客户提供高效、精密、可靠的热处理自动化解决方案。公司拥有强... 您有什么问题或要求吗?
点击下面,香蕉视频一区二区很乐意提供帮助。 联系海瑞拓