男女羞羞在线观看描述
|
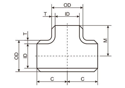
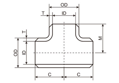
等徑三通結構圖
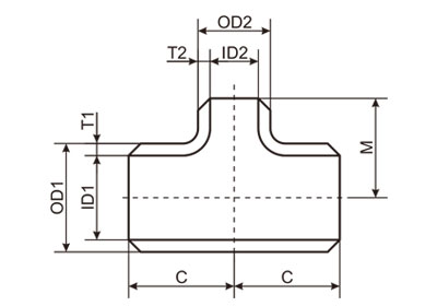
異徑三通結構圖 |
||||
| Buttweld Equal Tee Specification: | ||||
| 形式/Type | 等徑三通、異徑三通 | |||
| Equal, Reducing | ||||
| 原材料/Raw Material | 無縫管、焊管(SS)、板焊、圓鋼(鍛製高壓用)。Seamless pipe, Welded pipe, Steel sheet. Round bar(Foring High pressure) | |||
| 製作工藝/Manufacture Process | 擠壓、熱壓、冷加工、熱加工、焊接、熱處理 。Extrusion moulding, Hot Pressing, Cold-machining, Hot-machining, Welded, Heat treatment | |||
| 尺寸外徑/Outside Diameter | Seamless Elbow ( 1/2″~24″), ERW / Welded / Fabricated Elbow (1/2″~48″) | |||
| 壁厚壓力/Wall Thickness | 3mm – 40mm / SCH5, SCH10, SCH20, SCH30, SCH40, STD, SCH80, XS, SCH60, SCH80, SCH120, SCH140, SCH160, XXS | |||
| 增值服務/Value Added Services | 熱浸鍍鋅,環氧樹脂和FBE塗層,電拋光,噴砂,螺紋加工,焊接(Hot Dipped Galvanizing, Epoxy & FBE Coating, Electro Polish, Sand Blasting, Threading, Soldering) | |||
| 製造標準/Manufacturing Standards | ASME/ANSI B16.9, ASME B16.28, MSS-SP-43, GB/T12459, GB/T13401, SH3408, SH3409, JIS B2311/2220, DIN2617/2616/2615 | |||
| Buttweld Equal Tee Material Grades: | ||||
| 不鏽鋼/Stainless Steel | ASTM A403 WP304, 304L, 304H, 309, 310, 316, 316L, 317L, 321, 347 | |||
| 碳鋼/Carbon Steel | 20#, 20G,Q235-A, ASTM A 234 WPB , WPBW, WPHY 42, WPHY 46, WPHY 52, WPH 60, WPHY 65 & WPHY 70 | |||
| 低溫鋼/Low Temperature Carbon Steel | 16Mn, ASTM A420 WPL3, A420 WPL6 | |||
| 合金鋼/Alloy Steel | ASTM / ASME A/SA 234 Gr. WP 1, WP 5, WP 9, WP 11, WP 12, WP 22, WP 91, WB36, 12CrMo, 15Cr5Mo, 1Cr5Mo, 12Cr1MoV | |||
| 雙相不鏽鋼鋼/Duplex Steel | ASTM A 815, ASME SA 815 UNS NO S31803, S32205. S31254, 254SMO, S32750,904L | |||
| 鎳合金/Nickel Alloy Steel | ASTM / ASME SB 336 UNS 2200 ( NICKEL 200 ), UNS 2201 (NICKEL 201 ), UNS 4400 (MONEL 400 ), UNS 8020 ( ALLOY 20 / 20 CB 3, UNS 8825 INCONEL (825), UNS 6600 (INCONEL 600 ), UNS 6601 ( INCONEL 601 ), UNS 6625 (INCONEL 625), UNS 10276 ( HASTELLOY C 276 ) | |||
| Buttweld Equal Tee Dimesions: | ||||
| Nominal | Outside Diameter | Center to End | ||
| Pipe Size | At Bevel D | |||
| (NPS) | Run | Outlet | Run | Outlet(1) |
| C | M | |||
| 1/2×1/2 | 21.3 | 21.3 | 25.4 | 25.4 |
| 1/2×3/8 | 17.1 | 25.4 | ||
| 1/2×1/4 | 13.7 | 25.4 | ||
| 3/4×3/4 | 26.7 | 26.7 | 28.4 | 28.4 |
| 3/4×1/2 | 21.3 | 28.4 | ||
| 3/4×3/8 | 17.1 | 28.4 | ||
| 1×1 | 33.4 | 33.4 | 38.1 | 38.1 |
| 1×3/4 | 26.7 | 38.1 | ||
| 1×1/2 | 21.3 | 38.1 | ||
| 1.1/4×1.1/4 | 42.2 | 42.2 | 47.8 | 47.8 |
| 1.1/4×1 | 33.4 | 47.8 | ||
| 1.1/4×3/4 | 26.7 | 47.8 | ||
| 1.1/4×1/2 | 21.3 | 47.8 | ||
| 1.1/2×1.1/2 | 48.3 | 48.3 | 57.2 | 57.2 |
| 1.1/2×1.1/4 | 42.2 | 57.2 | ||
| 1.1/2×1 | 33.4 | 57.2 | ||
| 1.1/2×3/4 | 26.7 | 57.2 | ||
| 1.1/2×1/2 | 21.3 | 57.2 | ||
| 2×2 | 60.3 | 60.3 | 63.5 | 63.5 |
| 2×11/2 | 48.3 | 60.5 | ||
| 2×11/4 | 42.2 | 57.2 | ||
| 2×1 | 33.4 | 50.8 | ||
| 2×3/4 | 26.7 | 44.4 | ||
| 2×1/2 | 21.3 | |||
| 2.1/2×2.1/2 | 73 | 73 | 76.2 | 76.2 |
| 2.1/2×2 | 60.3 | 69.8 | ||
| 2.1/2×1.1/2 | 48.3 | 66.5 | ||
| 2.1/2×1.1/4 | 42.2 | 63.5 | ||
| 2.1/2×1 | 33.4 | 57.2 | ||
| 3×3 | 88.9 | 88.9 | 85.9 | 85.9 |
| 3×2.1/2 | 73 | 82.6 | ||
| 3×2 | 60.3 | 76.2 | ||
| 3×1.1/2 | 48.3 | 73.2 | ||
| 3×1.1/4 | 42.2 | 69.8 | ||
| 3×1 | 33.4 | |||
| 3.1/2×3.1/2 | 101.6 | 101.6 | 95.2 | 95.2 |
| 3.1/2×3 | 88.9 | 91.9 | ||
| 3.1/2×2.1/2 | 73 | 88.9 | ||
| 3.1/2×2 | 60.3 | 82.6 | ||
| 3.1/2×1.1/2 | 48.3 | 79.2 | ||
| 4×4 | 114.3 | 114.3 | 104.6 | 104.6 |
| 4×3.1/2 | 101.6 | 101.6 | ||
| 4×3 | 88.9 | 98.6 | ||
| 4×2.1/2 | 73 | 95.2 | ||
| 4×2 | 60.3 | 88.9 | ||
| 4×1.1/2 | 48.3 | 85.9 | ||
| 4×1.1/4 | 42.2 | |||
| 4×1. | 33.5 | |||
| 5×5 | 141.3 | 141.3 | 124 | 124 |
| 5×4 | 114.3 | 117.3 | ||
| 5×31/2 | 101.6 | 114.3 | ||
| 5×3 | 88.9 | 111.3 | ||
| 5×2.1/2 | 73 | 108 | ||
| 5×2 | 60.3 | 104.6 | ||
| 5×1.1/2 | 48.3 | |||
| 6×6 | 168.3 | 168.3 | 142.7 | 142.7 |
| 6×5 | 141.3 | 136.7 | ||
| 6×4 | 114.3 | 130 | ||
| 6×31/2 | 101.6 | 127 | ||
| 6×3 | 88.9 | 124 | ||
| 6×21/2 | 73 | 120.6 | ||
| 6×2* | 60.3 | |||
| 8×8 | 219.1 | 219.1 | 177.8 | 177.8 |
| 8×6 | 168.3 | 168.1 | ||
| 8×5 | 141.3 | 162.1 | ||
| 8×4 | 114.3 | 155.4 | ||
| 8×3.1/2 | 101.6 | 152.4 | ||
| 8×3* | 88.9 | |||
| 10×10 | 273.1 | 273.1 | 215.9 | 215.9 |
| 10×8 | 219.1 | 203.2 | ||
| 10×6 | 168.3 | 193.5 | ||
| 10×5 | 141.3 | 190.5 | ||
| 10×4 | 114.3 | 184.2 | ||
| 12×12 | 323.9 | 323.9 | 254 | 254 |
| 12×10 | 273.1 | 241.3 | ||
| 12×8 | 219.1 | 228.6 | ||
| 12×6 | 168.3 | 218.9 | ||
| 12×5 | 141.3 | 215.9 | ||
| 14×14 | 355.6 | 355.6 | 279.4 | 279.4 |
| 14×12 | 323.9 | 269.7 | ||
| 14×10 | 273.1 | 257 | ||
| 14×8 | 219.1 | 247.6 | ||
| 14×6 | 168.3 | 238.3 | ||
| 16×16 | 406.4 | 406.4 | 304.8 | 304.8 |
| 16×14 | 355.6 | 304.8 | ||
| 16×12 | 323.9 | 295.1 | ||
| 16×10 | 273.1 | 282.4 | ||
| 16×8 | 219.1 | 373 | ||
| 16×6 | 168.3 | 263.7 | ||
| 18×18 | 457.2 | 457.2 | 342.9 | 342.9 |
| 18×16 | 406.4 | 330.2 | ||
| 18×14 | 355.6 | 330.2 | ||
| 18×12 | 323.9 | 320.5 | ||
| 18×10 | 273.1 | 307.8 | ||
| 18×8 | 219.1 | 298.4 | ||
| 20×20 | 508 | 508 | 381 | 381 |
| 20×18 | 457.2 | 369.3 | ||
| 20×16 | 406.4 | 355.6 | ||
| 20×14 | 355.6 | 355.6 | ||
| 20×12 | 323.9 | 345.9 | ||
| 20×10 | 273.1 | 333.2 | ||
| 20×8 | 219.1 | 323.8 | ||
| 22×22 | 558.8 | 558.8 | 419.1 | 419.1 |
| 22×20 | 508 | 406.4 | ||
| 22×18 | 457.2 | 393.7 | ||
| 22×16 | 406.4 | 381 | ||
| 22×14 | 355.6 | 381 | ||
| 22×12 | 323.9 | 371.3 | ||
| 22×10 | 273.1 | 358.6 | ||
| 24×24 | 609.6 | 609.6 | 431.8 | 431.8 |
| 24×22 | 558.8 | 431.8 | ||
| 24×20 | 508 | 431.8 | ||
| 24×18 | 457.2 | 419.1 | ||
| 24×16 | 406.4 | 406.4 | ||
| 24×14 | 355.6 | 406.4 | ||
| 24×12 | 323.9 | 396.7 | ||
| 24×10 | 273.1 | 384 | ||
| 26×26 | 660.4 | 660.4 | 495.3 | 495.3 |
| 26×24 | 609.6 | 482.6 | ||
| 26×22 | 558.8 | 469.9 | ||
| 26×20 | 508 | 457.2 | ||
| 26×18 | 457.2 | 444.5 | ||
| 26×16 | 406.4 | 431.8 | ||
| 26×14 | 355.6 | 431.8 | ||
| 26×12 | 323.1 | 422.1 | ||
| 28×28 | 711.2 | 711.2 | 520.7 | 520.7 |
| 28×26 | 660.4 | 520.7 | ||
| 28×24 | 609.6 | 508 | ||
| 28×22 | 558.8 | 495.3 | ||
| 28×20 | 508 | 482.6 | ||
| 28×18 | 457.2 | 469.9 | ||
| 28×16 | 406.4 | 457.2 | ||
| 28×14 | 355.6 | 457.2 | ||
| 28×12 | 323.1 | 447.5 | ||
| 30×30 | 762 | 762 | 558.8 | 558.8 |
| 30×28 | 711.2 | 546.1 | ||
| 30×26 | 660.4 | 546.1 | ||
| 30×24 | 609.6 | 533.4 | ||
| 30×22 | 558.8 | 520.7 | ||
| 30×20 | 508 | 508 | ||
| 30×18 | 457.2 | 495.3 | ||
| 30×16 | 406.4 | 482.6 | ||
| 30×14 | 355.6 | 482.6 | ||
| 30×12 | 323.9 | 472.6 | ||
| 30×10 | 273.1 | 460.2 | ||
| 32×32 | 812.8 | 812.8 | 596.9 | 596.9 |
| 32×30 | 762 | 584.2 | ||
| 32×28 | 711.2 | 571.5 | ||
| 32×26 | 660.4 | 571.5 | ||
| 32×24 | 609.6 | 558.8 | ||
| 32×22 | 558.8 | 546.1 | ||
| 32×20 | 508 | 533.4 | ||
| 32×18 | 457.2 | 520.7 | ||
| 32×16 | 406.4 | 508 | ||
| 32×14 | 355.6 | 508 | ||
| 34×34 | 863.6 | 863.6 | 635 | 635 |
| 34×32 | 812.8 | 622.3 | ||
| 34×30 | 762 | 609.6 | ||
| 34×28 | 711.2 | 596.9 | ||
| 34×26 | 660.4 | 596.9 | ||
| 34×24 | 609.6 | 584.2 | ||
| 34×22 | 558.8 | 571.5 | ||
| 34×20 | 508 | 558.8 | ||
| 34×18 | 457.2 | 546.1 | ||
| 34×16 | 406.4 | 533.4 | ||
| 36×36 | 914.4 | 914.4 | 673.1 | 673.1 |
| 36×34 | 863.6 | 660.4 | ||
| 36×32 | 812.8 | 647.7 | ||
| 36×30 | 762 | 635 | ||
| 36×28 | 711.2 | 622.3 | ||
| 36×26 | 660.4 | 622.3 | ||
| 36×24 | 609.6 | 609.6 | ||
| 36×22 | 558.8 | 596.9 | ||
| 36×20 | 508 | 584.2 | ||
| 36×18 | 457.2 | 571.5 | ||
| 36×16 | 406.4 | 558.8 | ||
| 38×38 | 965.2 | 965.2 | 711.2 | 711.2 |
| 38×36 | 914.4 | 711.2 | ||
| 38×34 | 863.6 | 698.5 | ||
| 38×32 | 812.8 | 685.8 | ||
| 38×30 | 762 | 673.1 | ||
| 38×28 | 711.2 | 647.7 | ||
| 38×26 | 660.4 | 647.7 | ||
| 38×24 | 609.6 | 635 | ||
| 38×22 | 558.8 | 622.3 | ||
| 38×20 | 508 | 609.6 | ||
| 38×18 | 457.2 | 596.9 | ||
| 40×40 | 1016 | 1016 | 749.3 | 749.3 |
| 40×38 | 965.2 | 749.3 | ||
| 40×36 | 914.4 | 736.6 | ||
| 40×34 | 863.6 | 723.9 | ||
| 40×32 | 812.8 | 711.2 | ||
| 40×30 | 762 | 698.5 | ||
| 40×28 | 711.2 | 673.1 | ||
| 40×26 | 660.4 | 673.1 | ||
| 40×24 | 609.6 | 660.4 | ||
| 40×22 | 558.8 | 647.7 | ||
| 40×20 | 508 | 635 | ||
| 40×18 | 457.2 | 622.3 | ||
| 42×42 | 1066.8 | 1066.8 | 762 | 711.2 |
| 42×40 | 1016 | 711.2 | ||
| 42×38 | 965.2 | 711.2 | ||
| 42×36 | 914.4 | 711.2 | ||
| 42×34 | 863.6 | 711.2 | ||
| 42×32 | 812.8 | 711.2 | ||
| 42×30 | 762 | 711.2 | ||
| 42×28 | 1066.8 | 711.2 | 762 | 698.5 |
| 42×26 | 660.4 | 698.5 | ||
| 42×24 | 609.6 | 660.4 | ||
| 42×22 | 558.8 | 660.4 | ||
| 42×20 | 508 | 660.4 | ||
| 42×18 | 457.2 | 647.7 | ||
| 42×16 | 406.4 | 635 | ||
| 44×44 | 1117.6 | 1117.6 | 812.8 | 762 |
| 44×42 | 1066.8 | 762 | ||
| 44×40 | 1016 | 749.3 | ||
| 44×38 | 965.2 | 736.6 | ||
| 44×36 | 914.4 | 723.9 | ||
| 44×34 | 863.6 | 723.9 | ||
| 44×32 | 812.8 | 711.2 | ||
| 44×30 | 762 | 711.2 | ||
| 44×28 | 711.2 | 698.5 | ||
| 44×26 | 660.4 | 698.5 | ||
| 44×24 | 609.6 | 698.5 | ||
| 44×22 | 558.8 | 685.8 | ||
| 44×20 | 508 | 685.8 | ||
| 46×46 | 1168.4 | 1168.4 | 850.9 | 800.1 |
| 46×44 | 1117.6 | 800.1 | ||
| 46×42 | 1066.8 | 787.4 | ||
| 46×40 | 1016 | 774.7 | ||
| 46×38 | 965.2 | 762 | ||
| 46×36 | 914.4 | 762 | ||
| 46×34 | 863.6 | 749.3 | ||
| 46×32 | 812.8 | 749.3 | ||
| 46×30 | 762 | 736.6 | ||
| 46×28 | 711.2 | 736.6 | ||
| 46×26 | 660.4 | 736.6 | ||
| 46×24 | 609.6 | 723.9 | ||
| 46×20* | 508 | 723.9 | ||
| 48×48 | 1219.2 | 1219.2 | 889 | 838.2 |
| 48×46 | 1168.4 | 838.2 | ||
| 48×44 | 1117.6 | 838.2 | ||
| 48×42 | 1066.8 | 812.8 | ||
| 48×40 | 1016 | 812.8 | ||
| 48×38 | 965.2 | 812.8 | ||
| 48×36 | 914.4 | 787.4 | ||
| 48×34 | 863.6 | 787.4 | ||
| 48×32 | 1219.2 | 812.8 | 889 | 787.4 |
| 48×44 | 1117.6 | 838.2 | ||
| 48×42 | 1066.8 | 812.8 | ||
| 48×40 | 1016 | 812.8 | ||
| 48×38 | 965.5 | 812.8 | ||
| 48×36 | 914.4 | 787.4 | ||
| 48×34 | 863.6 | 787.4 | ||
| 48×32 | 812.8 | 787.4 | ||
| 48×30 | 862 | 762 | ||
| 48×28 | 711.2 | 762 | ||
| 48×26 | 660.4 | 762 | ||
| 48×24 | 609.6 | 736.6 | ||
| 48×22 | 558.8 | 736.6 | ||
| 52×52* | 1320.8 | 1320.8 | 965.2 | 914.4 |
| 52×48* | 1219.2 | 863.6 | ||
| 52×44* | 1117.6 | 812.8 | ||
| 52×40* | 1016 | 762 | ||
| 54×54* | 1371.6 | 1371.6 | 1003.3 | 952.5 |
| 54×52* | 1320.8 | 914.4 | ||
| 54×48* | 1219.2 | 863.6 | ||
| 54×44* | 1117.6 | 863.6 | ||
| 54×40* | 1016 | 812.8 | ||
| 54×28* | 711.2 | 787.4 | ||
| 54×20* | 508 | 787.4 | ||
| 56×56* | 1422.4 | 1422.4 | 1041.4 | 965.2 |
| 56×52* | 1320.8 | 914.4 | ||
| 56×48* | 1219.2 | 863.6 | ||
| 56×44* | 1117.6 | 812.8 | ||
| 56×40* | 1016 | 812.8 | ||
| 56×28* | 711.2 | 812.8 | ||
| 56×20* | 508 | 812.8 | ||
| 60×60* | 1524 | 1524 | 1117.6 | 1016 |
| 60×56* | 1422.4 | 965.2 | ||
| 60×52* | 1320.8 | 914.4 | ||
| 60×48* | 1219.2 | 863.6 | ||
| 60×40* | 1016 | 863.6 | ||
| 60×28* | 711.2 | 863.6 | ||
| 60×20* | 508 | 863.6 | ||
| 64×64* | 1626 | 1626 | 1194 | 1092 |
| 64×60* | 1524 | 1067 | ||
| 64×56* | 1422 | 1016 | ||
| 64×52* | 1321 | 965 | ||
| 64×48* | 1219 | 914 | ||
| 66×66* | 1676.4 | 1676.4 | 1219.2 | 1066.8 |
| 68×68* | 1727 | 1727 | 1270 | 1168 |
| 68×64* | 1626 | 1143 | ||
| 68×60* | 1524 | 1118 | ||
| 68×56* | 1422 | 1067 | ||
| 68×52* | 1321 | 1016 | ||
| 68×48* | 1219 | 965 | ||
| 72×72* | 1829 | 1829 | 1320 | 1245 |
| 72×68* | 1727 | 1219 | ||
| 72×64* | 1626 | 1194 | ||
| 72×60* | 1524 | 1168 | ||
| 72×56* | 1829 | 1422 | 1320 | 1118 |
| 72×52* | 1321 | 1067 | ||
| 72×48* | 1219 | 1016 | ||
| 76×76* | 1930 | 1930 | 1422 | 1320 |
| 76×72* | 1829 | 1295 | ||
| 76×68* | 1727 | 1270 | ||
| 76×64* | 1626 | 1245 | ||
| 76×60* | 1524 | 1219 | ||
| 76×56* | 1422 | 1168 | ||
| 76×52* | 1321 | 1118 | ||
| 76×48* | 1219 | 1067 | ||
| 80×80* | 2032 | 2032 | 1499 | 1397 |
| 80×76* | 1930 | 1372 | ||
| 80×72* | 1829 | 1346 | ||
| 80×68* | 1727 | 1321 | ||
| 80×64* | 1626 | 1295 | ||
| 80×60* | 1524 | 1270 | ||
| 80×56* | 1422 | 1219 | ||
| 80×52* | 1321 | 1168 | ||
| 80×48 | 1219 | 1118 | ||
| GB/T12459-2005, MSS SP-75 ANSI B16.9(in mm)*Wellgrow's standard | ||||
- 聯係電話- 0317-6689999 6165555
- 業務郵箱- 9905791@qq.com
- 公司地址- 河北省滄州市鹽山縣千童大街滄州銀行對麵
- 聯係電話- 0317-6689999 6165555
- 業務郵箱- 9905791@qq.com
- 公司地址- 河北省滄州市鹽山縣千童大街滄州銀行對麵
版權所有:河北羞羞网站入口管道有限公司 冀ICP備82586135號-6


熱線:0317-6165555
9905791@qq.com