男女羞羞在线观看描述
| Socketweld Union Specification: | ||||||||||||
| Size/尺寸 | 1/8″~4″ (DN6~DN100) | |||||||||||
| Class/壓力等級 | 3000 LBS, 6000 LBS, 9000 LBS | |||||||||||
| Type/連接形式 | Sockeweld,承插焊 | |||||||||||
| Surface Treatment/表麵處理 | Hot Dipped Galvanizing, Epoxy & FBE Coating, Electro Polish, Sand Blasting, Soldering | |||||||||||
| 熱浸鍍鋅、環氧樹脂和FBE圖層、電拋光、噴砂、發黑等。 | ||||||||||||
| Materal/材質 | Stainless Steel, Alloy Steel, Duplex, Nickel Alloys, Low temperature Steel, Carbon Steel, Cupro Nickel 不鏽鋼,合金鋼,雙相鋼,鎳合金,低溫鋼,碳素鋼,銅鎳合金 | |||||||||||
| Manufacturing process/製造工藝 | Cutting, Heat treatment, Forging, Machining | |||||||||||
| 鋸切、熱處理、模鍛、機加工 | ||||||||||||
| Manufacturing Standards/製造標準 | MSS SP-83 | |||||||||||
| Socketweld Material Grades: | ||||||||||||
| Stainless Steel/不鏽鋼 | ASTM A182 F304, 304L, 316, 316L,310S, 316Ti,317L | |||||||||||
| Duplex & Super Duplex Steel/雙相鋼 | ASTM A 182 – F51, F53, F55, S31803, S32205, S32550, S31254, SMO254, S32750, S32760, S32950. | |||||||||||
| Carbon Steel/碳鋼 | ASTM/ ASME A 105, ASTM/ ASME A 350 LF 2 | |||||||||||
| Alloy Steel/合金鋼 | ASTM / ASME A 182, ASTM / ASME F5, F9, F11,F22, F 91 | |||||||||||
| Copper Alloy Steel/銅合金 | Copper Alloy Steel Forged Threaded 90 Deg Elbow : ASTM / ASME SB 111 UNS NO. C 10100 , C 10200 , C 10300 , C 10800 , C 12000, C 12200, C 70600 C 71500, ASTM / ASME SB 466 UNS NO. C 70600 ( CU -NI- 90/10) , C 71500 ( CU -NI- 70/30) | |||||||||||
| Nickel Alloy/鎳合金 | ASTM / ASME SB 336, ASTM / ASME SB 564 / 160 / 163 / 472, UNS 2200 (NICKEL 200) , UNS 2201 (NICKEL 201 ) , UNS 4400 (MONEL 400 ) , UNS 8020 ( ALLOY 20 / 20 CB 3 ) , UNS 8825 INCONEL (825) , UNS 6600 (INCONEL 600 ) , UNS 6601 (INCONEL 601) , UNS 6625 (INCONEL 625) , UNS 10276 (HASTELLOY C 276) | |||||||||||
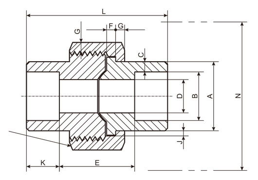
| Union Dimesions: | ||||||||||||
![]() |
||||||||||||
| Socket Weld Pressure Class | Pipe Schedule | |||||||||||
| Class 3000 | S80/XH | |||||||||||
| Class 6000 | S160 | |||||||||||
| Class 9000 | XXH | |||||||||||
| Nom | Pipe | Socket | Socket | Water | Laying | Male | Nut | Threads | Bearing | Depth | Length | Clear |
| Pipe | End | Bore | Wall | Way | Length | Flange | (Min.) | Per | (Min.) | of | Assem. | Assem. |
| Size | (Min.) | Dia. | (Min.) | Bore | (Min.) | 25.4mm | Socket | Nom. | Nut | |||
| (Min.) | ||||||||||||
| A | B | C | D | E | F | G | H | J | K | L | N | |
| 1/8" | 21.8 | 11.18 | 3.18 | 7.59 | 22.4 | 3.18 | 3.18 | 16 | 1.24 | 9.7 | 41.4 | 50.8 |
| 10.67 | 6.07 | 19.1 | ||||||||||
| 1/4" | 21.8 | 14.61 | 3.3 | 10.01 | 22.4 | 3.18 | 3.18 | 16 | 1.24 | 9.7 | 41.4 | 50.8 |
| 14.1 | 8.48 | 19.1 | ||||||||||
| 3/8" | 25.9 | 18.03 | 3.51 | 13.28 | 26.9 | 3.43 | 3.43 | 14 | 1.37 | 9.7 | 46 | 55.9 |
| 17.53 | 11.76 | 20.6 | ||||||||||
| 1/2" | 31.2 | 22.23 | 4.09 | 16.56 | 26.9 | 3.68 | 3.68 | 14 | 1.5 | 9.7 | 49 | 58.4 |
| 21.73 | 15.04 | 20.6 | ||||||||||
| 3/4" | 37.1 | 27.56 | 4.27 | 21.69 | 31.8 | 4.06 | 4.06 | 11 | 1.68 | 12.7 | 56.9 | 66 |
| 27.05 | 20.17 | 25.4 | ||||||||||
| 1" | 45.5 | 34.29 | 4.98 | 27.41 | 34.3 | 4.57 | 4.45 | 11 | 1.85 | 12.7 | 62 | 78.7 |
| 33.78 | 25.88 | 26.2 | ||||||||||
| 1-1/4" | 54.9 | 43.05 | 5.28 | 35.81 | 40.6 | 5.33 | 5.21 | 11 | 2.13 | 12.7 | 71.1 | 94 |
| 42.55 | 34.29 | 32.5 | ||||||||||
| 1-1/2" | 61.5 | 49.15 | 5.54 | 41.66 | 42.2 | 5.84 | 5.59 | 10 | 2.31 | 12.7 | 76.5 | 111.8 |
| 48.64 | 40.13 | 34 | ||||||||||
| 2" | 75.2 | 61.62 | 6.05 | 53.26 | 45.5 | 6.6 | 6.35 | 10 | 2.69 | 15.7 | 86.1 | 132.1 |
| 61.11 | 51.74 | 37.3 | ||||||||||
| 2-1/2" | 91.7 | 74.45 | 7.67 | 64.24 | 61.7 | 7.49 | 7.11 | 8 | 3.07 | 15.7 | 102.4 | 149.9 |
| 73.81 | 61.19 | 52.1 | ||||||||||
| 3" | 109.2 | 90.42 | 8.31 | 79.45 | 63.8 | 8.26 | 8 | 8 | 3.53 | 15.7 | 109 | 175.3 |
| 89.79 | 76.4 | 53.6 | ||||||||||
| (1)Dimensions in Millimeters(mm). |
| (2)Upper and lower values for each size are the respective maximum and minimum dimensions. |
- 聯係電話- 0317-6689999 6165555
- 業務郵箱- 9905791@qq.com
- 公司地址- 河北省滄州市鹽山縣千童大街滄州銀行對麵
- 聯係電話- 0317-6689999 6165555
- 業務郵箱- 9905791@qq.com
- 公司地址- 河北省滄州市鹽山縣千童大街滄州銀行對麵
版權所有:河北羞羞网站入口管道有限公司 冀ICP備82586135號-6

熱線:0317-6165555
9905791@qq.com