男女羞羞在线观看描述
| 活接頭(union)又叫由壬或由任,是一種能方便安裝拆卸的常用管道連接件,主要有鎖緊螺母,雲頭,平接三部分組成。河北羞羞网站入口管道有限公司主要羞羞网站免费观看鍛製高中壓類多種連接形式活接頭,其工藝由圓鋼或鋼錠模鍛成型後機加工的管道連接件,它的連接形式分承插焊接(承插焊活接頭)、螺紋連接(螺紋活接頭)、對焊連接(對焊活接頭)、內外牙連接等,主要製造標準ASME B16.11、MSS SP 83。由於活接頭由鎖緊螺母,雲頭,平接組成,由球麵硬密封和四氟墊(或銅墊)軟密封,密封性好,有極高的防泄漏能力,同時在管道安裝、使用、檢修等也極其方便。 | |||||||||
| Threaded Union Specification: | |||||||||
| Size/尺寸 | 1/8″~4″ (DN6~DN100) | ||||||||
| Class/壓力等級 | 2000 LBS, 3000 LBS, 6000 LBS | ||||||||
| Type/連接形式 | Threads: American National Standard Taper Pipe Threads, NPT(ANSI/ASME B1.20.1-1983), Also available in other thread forms: Rc, Rp, BSP, BSPT,BSPP and in any combination. | ||||||||
| Surface Treatment/表麵處理 | Hot Dipped Galvanizing, Epoxy & FBE Coating, Electro Polish, Sand Blasting, Soldering,Darken, 熱浸鍍鋅,環氧樹脂和FBE塗層,電拋光,噴砂,發黑 | ||||||||
| Materal/材質 | Stainless Steel, Alloy Steel, Duplex, Nickel Alloys, Low temperature Steel, Carbon Steel, Cupro Nickel 不鏽鋼,合金鋼,雙相鋼,鎳合金,低溫鋼,碳素鋼,銅鎳合金 | ||||||||
| Manufacturing process/製造工藝 | Cutting, Heat treatment, Forging, Machining, 鋸切、熱處理、模鍛、機加工 | ||||||||
| Manufacturing Standards/製造標準 | MSS SP-83 | ||||||||
| Threaded Union Material Grades: | |||||||||
| Stainless Steel/不鏽鋼 | ASTM A182 F304, 304L, 316, 316L,310S, 316Ti,317L | ||||||||
| Duplex & Super Duplex Steel/雙相鋼 | ASTM A 182 – F51, F53, F55, S31803, S32205, S32550, S31254, SMO254, S32750, S32760, S32950. | ||||||||
| Carbon Steel/碳鋼 | ASTM/ ASME A 105, ASTM/ ASME A 350 LF 2 | ||||||||
| Alloy Steel/合金鋼 | ASTM / ASME A 182, ASTM / ASME F5, F9, F11,F22, F 91 | ||||||||
| Copper Alloy Steel/銅合金 | Copper Alloy Steel Forged Threaded 90 Deg Elbow : ASTM / ASME SB 111 UNS NO. C 10100 , C 10200 , C 10300 , C 10800 , C 12000, C 12200, C 70600 C 71500, ASTM / ASME SB 466 UNS NO. C 70600 ( CU -NI- 90/10) , C 71500 ( CU -NI- 70/30) | ||||||||
| Nickel Alloy/鎳合金 | ASTM / ASME SB 336, ASTM / ASME SB 564 / 160 / 163 / 472, UNS 2200 (NICKEL 200) , UNS 2201 (NICKEL 201 ) , UNS 4400 (MONEL 400 ) , UNS 8020 ( ALLOY 20 / 20 CB 3 ) , UNS 8825 INCONEL (825) , UNS 6600 (INCONEL 600 ) , UNS 6601 (INCONEL 601) , UNS 6625 (INCONEL 625) , UNS 10276 (HASTELLOY C 276) | ||||||||
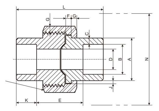
| Threaded Union Dimesions: | |||||||||
![]() |
|||||||||
| Threaded Pressure Class | Pipe Schedule | ||||||||
| Class 2000 | S80/XH | ||||||||
| Class 3000 | S160 | ||||||||
| Class 6000 | XXH | ||||||||
| Nom. | Pipe End | Wall | Water | Male | Nut | Threads | Bearing | Length | Clear |
| Pipe | Way Bore | Flange | Per | Assem. | Assem. | ||||
| Size | 25.4mm | Nom. | Nut | ||||||
| Min.A | Min.C | D | Min.F | Min.G | Max.H | Min.J | L | N | |
| 1/8" | 14.7 | 2.41 | 8.43 | 3.18 | 3.18 | 16 | 1.24 | 41.4 | 50.8 |
| 6.43 | |||||||||
| 1/4" | 19 | 3.02 | 11.13 | 3.18 | 3.18 | 16 | 1.24 | 41.4 | 50.8 |
| 9.45 | |||||||||
| 3/8" | 22.9 | 3.2 | 14.27 | 3.43 | 3.43 | 14 | 1.37 | 46 | 55.9 |
| 13.51 | |||||||||
| 1/2" | 27.7 | 3.73 | 17.86 | 3.68 | 3.68 | 14 | 1.5 | 49 | 58.4 |
| 17.07 | |||||||||
| 3/4" | 33.5 | 3.91 | 23.01 | 4.06 | 4.06 | 11 | 1.68 | 56.9 | 66 |
| 21.39 | |||||||||
| 1" | 41.4 | 4.55 | 28.98 | 4.57 | 4.45 | 11 | 1.85 | 62 | 78.7 |
| 27.74 | |||||||||
| 1-1/4" | 50.5 | 4.85 | 37.69 | 5.33 | 5.21 | 11 | 2.13 | 71.1 | 94 |
| 35.36 | |||||||||
| 1-1/2" | 57.2 | 5.08 | 43.54 | 5.84 | 5.59 | 10 | 2.31 | 76.5 | 111.8 |
| 41.2 | |||||||||
| 2" | 70.1 | 5.54 | 55.58 | 6.6 | 6.35 | 10 | 2.69 | 86.1 | 132.1 |
| 52.12 | |||||||||
| 2-1/2" | 85.3 | 7.01 | 66.27 | 7.49 | 7.11 | 8 | 3.07 | 102.4 | 149.9 |
| 64.31 | |||||||||
| 3" | 102.4 | 7.62 | 88.25 | 8.26 | 8 | 8 | 3.53 | 109 | 175.3 |
| 77.27 | |||||||||
| (1)Dimensions in Millimeters. |
| (2)Upper and lower values for each size are the respective maximum and minimum dimensions. |
- 聯係電話- 0317-6689999 6165555
- 業務郵箱- 9905791@qq.com
- 公司地址- 河北省滄州市鹽山縣千童大街滄州銀行對麵
- 聯係電話- 0317-6689999 6165555
- 業務郵箱- 9905791@qq.com
- 公司地址- 河北省滄州市鹽山縣千童大街滄州銀行對麵
版權所有:河北羞羞网站入口管道有限公司 冀ICP備82586135號-6

熱線:0317-6165555
9905791@qq.com